• 鼎升电力二维码
  • 电力预防性试验China Electric Industry Ieaders
  • 全国统一服务热线:400-6698-612

DHFD-H避雷器放电计数器测试仪使用方法

避雷器放电计数器测试仪操作方法

一、避雷器放电计数器测试仪动作的检查方法及计数器检测仪原理

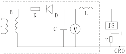
    由于密封不良,动作记数器在运行中可能进入潮气或水分,使内部元件锈蚀,导致记数器不能正常动作,所以《规程》规定,每年应检查1次。现场检查记数器动作的方法有电容器放电流支、交流法和标准冲击电流法。研究表明,以标准冲击电流法最为可靠,其原理接线如图2所示。 避雷器放电计数器测试仪标准冲击电流检测法的原理接线图 图2 标准冲击电流检测法的原理接线 (虚线框内为冲击电流发生器) C-充电电容;R-充电电阻;L-阻尼电感; D-整流硅二极管;r-分流器;B-试验变压器; V-静电电压表;CRO-高压示波器 将冲击电流发生器发生的8/20μs、100A的冲击电流波作用于动作记数器,若记数器动作正常,则说明仪器良好,否则应解体检修。例如某电业局曾用此法对27只记数器进行检测其中有3只不动作,解体发现内部元件受潮、损坏。 《规程》规定,连续测试3~5次,每次应正常动作,每次时间间隔不少于30s。测试后记录器应调到0。

二、避雷器放电计数器测试仪操作方法

避雷器放电计数器测试仪操作方法   1.将避雷器放电计数器测试仪输出端与避雷器计数器两端相连(连结线要尽量短),红色端接上端,黑色端接地端。
  2.将电源线接好后,检查避雷器放电计数器测试仪及接线是否正确,确认无误后即可开始试验。
  3.合上电源开关(电源灯亮),待电压稳定(600V左右)后,即可开始校验。
  4.按下核验键,输出电压立即下降,此时可观察计数器的动作 情况。
  5.如需多次试验,可待输出电压达到稳定值时,再按校验键,并观察计数器的动作情况。
  6.检验完毕后,立即关掉电源,待输出电压完全回零时,才能拆除接线。
  7. 如按检验键、,输出电压没有下降,应关掉电源,待电压指示回零后,检查是否回路有断点,或者是放电计数器不适合技术指标中规定的型号。

厂家承诺、客户必读
说明我公司将竭诚为您提供专业的产品及咨询与有效的技术服务,并及时提供工程预约及产品使用疑难解答, 已购买或即将使用本公司产品的客户,遇技术疑难,请致电我们。

我们严格遵守与客户签订的合同的各项条款,严格履行厂家销售服务承诺书,本产品一年质保,终身维修,因使用不当或保修期外的故障产品可凭产品保修卡修理。本公司坚持"用户为是,品质为上"的服务使命,为客户提供优质的产品和满意的服务。

产品服务流程|检定证书| 出厂报告|保修卡|物流包装|产品技术

400-6698-612 全国产品统一服务热线(免费咨询)
027-87875698 / 027-87180938

027-87180938
工作时间(上午8点30分 至 下午17点30分)

产品维修中心|技术咨询|订制产品
  • 客服中心
  • 全国统一服务热线:400-6698-612
  • 销售咨询:027-87875698
  • 技术售后:027-87180938
  • 2239963269 (点击咨询)
Copyright © 2016 CHINA DSEPA | 法律声明 鄂ICP备14004560号
武汉鼎升电力自动化有限责任公司 版权所有 侵权必究